Характеристики
Минимальная подача, м3/ч, Qmin
—
1.2
Макс. подача, м3/ч, Qmax, без учета работы резервного насоса
—
4.4
Напор при Qmin, м (Hmax)
—
14.5
Напор при Qmax, м (Hmin)
—
6.5
Мощность каждого насоса в установке, кВт
—
0.37
По запросу
Нашли дешевле?
Под заказ
Наши менеджеры обязательно свяжутся с вами и уточнят условия заказа
Описание
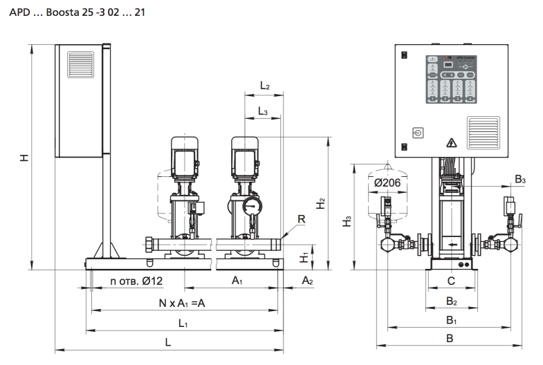
Габаритные размеры

|
Модель агрегата |
Кол-во, шт | Размеры, мм | N | n | Соеди--нение | Эл/дв ∼3х380В, 50 Гц |
Масса агрегата, кг |
||||||||||||||||
| L | L1 | L2 | L3 | B | B1 | B2 | B3 | H | H1 | H2 | H3 | A | A1 | A2 | C | Мощность, кВт | Ток, А | ||||||
| Boosta 25-302 | 2 | 1174 | 1050 | 205 | 190 | 770 | 650 | 276 | 314 | 1200 | 135 | 547 | 630 | 990 | 495 | 30 | 248 | 2 | 6 | R2 | 0,37 | 1,01 | 133 |
