Характеристики
Артикул
—
R3G280RB0203
Завод-изготовитель
—
epM
Постоянный/переменный ток
—
постоянный
Номинальное напряжение
—
230 В
Скорость вращения
—
1910 об/мин
Входная мощность
—
168 Вт
Все характеристики
По запросу
Нашли дешевле?
Под заказ
Наши менеджеры обязательно свяжутся с вами и уточнят условия заказа
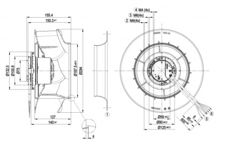
EC центробежный вентилятор - RadiCal назад загнутые лопатки, одностороннее всасывание


? = 1,15 kg/m? ± 2 %
Измерение: LU-138462-1
Замеры производительности соответствуют ISO 5801 категория А. Для детального уточнения способа замеров, Вам необходимо обратиться к специалистам ebm-papst. Уровень звукового давления со стороны всасывания: LwA по ISO 13347 / LpA с расстоянием 1м от оси вентилятора. Данные действительны только при указанных условиях измерения и могут варьироваться в зависимости от условий установки. При отклонении от стандартной конфигурации, необходимо проверить все значения в собранной установке.
Где: U = Напряжение питания · f = Частота · n = Скорость вращения · Pe = Входная мощность · I = Потребляемый ток · qV = Расход воздуха · Pfs = Увелич. давления
Схема подключения:

| № | Подкл. | Маркирование | Цвет | Функция / назначение |
| CON10 | L | черный | Сетевое подключение, напряжение питания, фаза, диапазон напряжений — см.заводскую табличку | |
| CON11 | N | синий | Сетевое подключение, напряжение питания, нулевой провод, диапазон напряжений — см. заводскую табличку | |
| CON12 | PE | зеленый/желтый | Подключение заземления | |
| 2 | 0- 10V | PWM | желтый | |
| 4 | Tach | белый | Выходной сигнал контроля частоты вращения, открытый коллектор, 1 имп./оборот, Isink макс. = 10 мА, БСНН | |
| 3 | +10 V | красный | Выход постоянного напряжения 10 В пост. тока +/–3 %, Iмакс. 10 мА, постоянная защита от коротких замыканий, напряжение питания для внешн. устройств (например, потенциометра), БСНН | |
| 1 | GND | синий | Заземление для интерфейса управления, БСНН |
Характеристики: производительность по воздуху 50 Гц

? = 1,15 kg/m? ± 2 %
Измерение: LU-138462-1
Замеры производительности соответствуют ISO 5801 категория А. Для детального уточнения способа замеров, Вам необходимо обратиться к специалистам ebm-papst. Уровень звукового давления со стороны всасывания: LwA по ISO 13347 / LpA с расстоянием 1м от оси вентилятора. Данные действительны только при указанных условиях измерения и могут варьироваться в зависимости от условий установки. При отклонении от стандартной конфигурации, необходимо проверить все значения в собранной установке.
Данные измерений
| U | n | Ped | I | qV | pfs | qV | pfs | |
|---|---|---|---|---|---|---|---|---|
| V | min-1 | W | A | m3/h | Pa | cfm | in. wg | |
| 1 | 230 | 1980 | 152 | 1,05 | 2335 | 0 | 1375 | 0 |
| 2 | 230 | 1910 | 168 | 1,4 | 1960 | 120 | 1150 | 0,48 |
| 3 | 230 | 1775 | 165 | 1,3 | 1400 | 240 | 825 | 0,96 |
| 4 | 230 | 1860 | 166 | 1,3 | 905 | 340 | 535 | 1,36 |
| 5 | 230 | 1600 | 80 | 0,55 | 1885 | 0 | 1110 | 0 |
| 6 | 230 | 1600 | 101 | 0,71 | 1665 | 87 | 980 | 0,35 |
| 7 | 230 | 1600 | 121 | 0,94 | 1260 | 195 | 740 | 0,78 |
| 8 | 230 | 1600 | 106 | 0,83 | 780 | 251 | 460 | 1,01 |
| 9 | 230 | 1300 | 43 | 0,3 | 1530 | 0 | 900 | 0 |
| 10 | 230 | 1300 | 54 | 0,38 | 1355 | 57 | 795 | 0,23 |
| 11 | 230 | 1300 | 65 | 0,5 | 1025 | 129 | 605 | 0,52 |
| 12 | 230 | 1300 | 57 | 0,44 | 635 | 166 | 375 | 0,67 |
| 13 | 230 | 1000 | 19 | 0,13 | 1180 | 0 | 695 | 0 |
| 14 | 230 | 1000 | 25 | 0,17 | 1040 | 34 | 615 | 0,14 |
| 15 | 230 | 1000 | 30 | 0,23 | 785 | 76 | 465 | 0,31 |
| 16 | 230 | 1000 | 26 | 0,2 | 485 | 98 | 285 | 0,39 |
Где: U = Напряжение питания · f = Частота · n = Скорость вращения · Pe = Входная мощность · I = Потребляемый ток · qV = Расход воздуха · Pfs = Увелич. давления
|
Артикул
|
R3G280RB0203 |
|
Завод-изготовитель
|
epM |
|
Постоянный/переменный ток
|
постоянный |
|
Номинальное напряжение
|
230 В |
|
Скорость вращения
|
1910 об/мин |
|
Входная мощность
|
168 Вт |
|
Потребляемый ток
|
1.4 А |
|
Минимальная температура окружающей среды
|
-25 °C |
|
Максимальная температура окружающей среды
|
60 °C |
|
Степень защиты
|
IP54 |
|
Монтажное положение
|
Любое |
|
Максимально допустимая темп.окружающей среды
|
°C + 80 |
|
Минимально допустимая темп.окружающей среды
|
°C - 40 |
|
Класс защиты от влаги (F) / класс защиты окружающей среды
|
H1 |
|
Количество лопаток
|
6 |
|
Диаметр крыльчатки
|
280 мм |
|
Вес
|
кг 2.7 |
|
Одно/трехфазная сеть
|
1~ |
