Характеристики
Завод-изготовитель
—
epM
Постоянный/переменный ток
—
постоянный
Номинальное напряжение
—
230 В
Скорость вращения
—
900 об/мин
Входная мощность
—
8 Вт
Потребляемый ток
—
А
Все характеристики
По запросу
Нашли дешевле?
Под заказ
Наши менеджеры обязательно свяжутся с вами и уточнят условия заказа
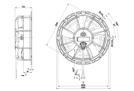
EC осевой вентилятор серповидные лопасти (S серии)ESM-стенное кольцо


Измерение: LU-113354-1
Измерение: LU-113366-1
Замеры производительности соответствуют ISO 5801 категория А. Для детального уточнения способа замеров, Вам необходимо обратиться к специалистам ebm-papst. Уровень звукового давления со стороны всасывания: LwA по ISO 13347 / LpA с расстоянием 1м от оси вентилятора. Данные действительны только при указанных условиях измерения и могут варьироваться в зависимости от условий установки. При отклонении от стандартной конфигурации, необходимо проверить все значения в собранной установке.
Где: U = Напряжение питания · f = Частота · n = Скорость вращения · Pe = Входная мощность · I = Потребляемый ток · qV = Расход воздуха Pfs = Увелич. давления
Схема подключения:
Характеристики: производительность по воздуху 50 Гц
Измерение: LU-113354-1
Измерение: LU-113366-1
Замеры производительности соответствуют ISO 5801 категория А. Для детального уточнения способа замеров, Вам необходимо обратиться к специалистам ebm-papst. Уровень звукового давления со стороны всасывания: LwA по ISO 13347 / LpA с расстоянием 1м от оси вентилятора. Данные действительны только при указанных условиях измерения и могут варьироваться в зависимости от условий установки. При отклонении от стандартной конфигурации, необходимо проверить все значения в собранной установке.
Данные измерений
| U | n | Ped | I | qV | pfs | qV | pfs | |
|---|---|---|---|---|---|---|---|---|
| V | min-1 | W | A | m3/h | Pa | cfm | in. wg | |
| 1 | 230 | 1300 | 7 | 0,06 | 460 | 0 | 270 | 0 |
| 2 | 230 | 1300 | 8 | 0,07 | 410 | 10 | 240 | 0,04 |
| 3 | 230 | 1300 | 8 | 0,07 | 370 | 18 | 215 | 0,07 |
| 4 | 230 | 1300 | 8 | 0,07 | 320 | 23 | 190 | 0,09 |
| 5 | 230 | 900 | 3,4 | 0,03 | 315 | 0 | 185 | 0 |
| 6 | 230 | 900 | 4 | 0,04 | 280 | 5 | 165 | 0,02 |
| 7 | 230 | 900 | 4,1 | 0,04 | 250 | 8 | 150 | 0,03 |
| 8 | 230 | 900 | 4 | 0,04 | 220 | 11 | 130 | 0,04 |
Где: U = Напряжение питания · f = Частота · n = Скорость вращения · Pe = Входная мощность · I = Потребляемый ток · qV = Расход воздуха Pfs = Увелич. давления
|
Завод-изготовитель
|
epM |
|
Постоянный/переменный ток
|
постоянный |
|
Номинальное напряжение
|
230 В |
|
Скорость вращения
|
900 об/мин |
|
Входная мощность
|
8 Вт |
|
Потребляемый ток
|
А |
|
Минимальная температура окружающей среды
|
-30 [°C] |
|
Максимальная температура окружающей среды
|
50 [°C] |
|
Степень защиты
|
IP55 |
|
Монтажное положение
|
Любое |
|
Максимально допустимая темп.окружающей среды
|
°C +80 |
|
Минимально допустимая темп.окружающей среды
|
°C -40 |
|
Класс защиты от влаги (F) / класс защиты окружающей среды
|
H1+ |
|
Количество лопаток
|
5 |
|
Диаметр крыльчатки
|
мм 200 |
|
Вес
|
kg 1.0 |
|
Одно/трехфазная сеть
|
1~ |
