Характеристики
Мощность, кВт
—
5.5
Номинальная производительность по воздуху, м куб./мин
—
1.57
Предельное остаточное давление, кПа
—
6
Производитель
—
АО "ГМС Ливгидромаш"
Гарантия
—
12 месяцев
от 120 686 ₽
Нашли дешевле?
Выберите нужный вариант товара
Насос ВВН1-1,5 агрегат на раме, с двигателем без водоотделителя
Комплектация:
агрегат с двигателем
Наличие водоотделителя:
без водоотделителя
120 686 ₽/шт
Варианты цен
120 686 ₽/шт
Насос ВВН1-1,5 агрегат на раме, с двигателем с водоотделителем
Комплектация:
агрегат с двигателем
Наличие водоотделителя:
с водоотделителем
139 694 ₽/шт
Варианты цен
139 694 ₽/шт
Описание
Технические характеристики
Номинальная производительность, приведенная к начальным условиям при номинальном давлении всасывания 0,04 МПа (0,4 кгс/см), м3/с (м3/м): 0,026(1,57)+20% -5% Уменьшение номинальной производительности при давлении всасывания 0,02 МПа (0,2кгс/см), %, не более: 40 Мощность потребляемая при номинальной производительности, кВт, не более: 3±0,30 Удельная можность. кВт/м3, не более: 4,4 Расход воды, дм3/с (м3/ч), не более: 0,083(0,3) Частота вращения, с-1 (об/мин): 25(1500) Род тока: Переменный Напряжение, В: 380,220/380 Частота тока, Гц: 50 Мощность электродвигателя, кВт: 5,5 Масса электронасоса, кг, не более: 112 Масса, кг, не более: - Масса агрегата, кг, не более: - Утечка через сальниковое уплотнение, см3/ч: 100Характеристика насоса
Характеристика насоса серии ВВН1-1,5.
Частота вращения 49 -1 (n=2950об/мин)
Жидкость-вода, плотность 1000 кг/м3
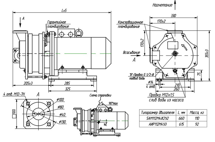
Габаритные размеры
Габаритные размеры насосов серии ВВН1-1,5.

