Характеристики
Подача, м3/ч
—
5,8
Mощность двигателя, кВт
—
30
Давление на выходе из насоса, МПа, не более
—
100
Производитель
—
АО "ГМС Ливгидромаш"
Гарантия
—
12 месяцев
от 1 814 383 ₽
Нашли дешевле?
Выберите нужный вариант товара
Насос А1 3В 4/160-4/100Б-ТВ1-Р1 без рамы, без двигателя
Комплектация трехвинтовых насосов:
без рамы, без двигателя
А1 3В 4/160-4/100Б-ТВ1-Р1-30 агрегат с общепромышленным двигателем 30 кВт (АИР180М2)
Комплектация трехвинтовых насосов:
агрегат с общепромышленным двигателем
1 814 383 ₽/шт
Варианты цен
1 814 383 ₽/шт
А1 3В 4/160-4/100БТ-В1-Р1-30-Е агрегат со взрывозащищенным двигателем 30 кВт (ВА180М2)
Комплектация трехвинтовых насосов:
агрегат со взрывозащищенным двигателем
1 927 213 ₽/шт
Варианты цен
1 927 213 ₽/шт
Описание

Технические характеристики
(Старое обозначение насоса А1 3В 4/160-4/100Б)Подача, м³/ч, не менее - 5,8
Частота вращения, об/мин - 2900
Частота вращения, c˜¹ - 48
Давление на выходе из насоса, кгс/см² не более - 100
Давление полного перепуска, МПа - 12,5
КПД насоса, % - 77
Напряжения сети, В - 220/380
Частота тока, Гц - 50
Вид тока - переменный
Допускаемая вакуумметрическая высота всасывания, м - 5
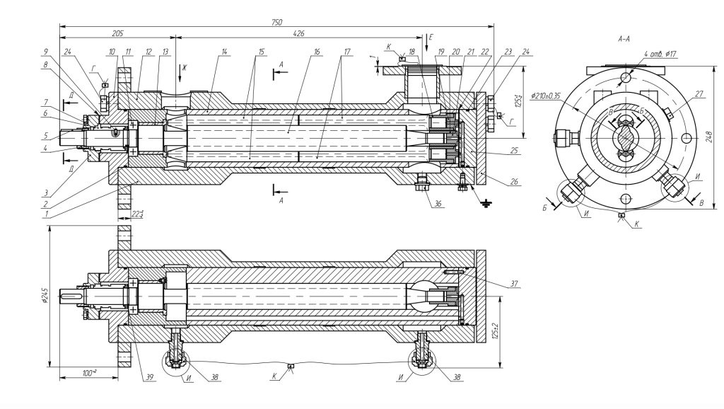
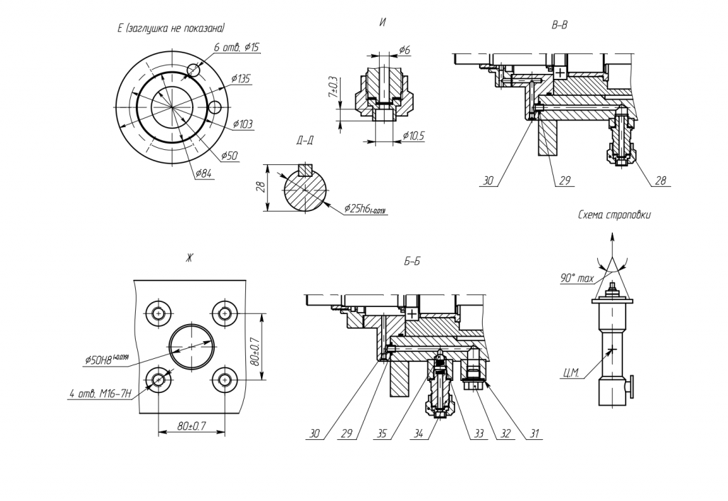
Насос трехвинтовой


| № поз. | Наименование детали | Кол-во шт. | № поз. | Наименование детали | Кол-во шт. |
| 1 | Корпус | 1 | 21 | Пята ведущего винта | 1 |
| 2 | Кольцо | 1 | 22 | Прокладка | 1 |
| 3 | Крышка сальника | 1 | 23 | Кольцо | 1 |
| 4 | Втулка маслоотражательная | 1 | 24 | Болт М16-6дх45.8-8.40Х | 16 |
| 5 | Шпонка 8х7х36 | 1 | 25 | Проставка | 1 |
| 6 | Уплотнение торцовое УТ-28Б | 1 | 26 | Крышка задняя | 1 |
| 7 | Болт М8-6дх30.56 | 4 | 27 | Пробка | 1 |
| 8 | Прокладка | 1 | 28 | Штуцер 8-6ст | 1 |
| 9 | Винт М4-6дх8.14Н | 1 | 29 | Штифт полый | 2 |
| 10 | Крышка верхняя | 1 | 30 | Кольцо 008-012-25 | 2 |
| 11 | Подшипник 206 | 1 | 31 | Прокладка | 7 |
| 12 | Корпус подшипника | 1 | 32 | Пробка | 1 |
| 13 | Втулка | 1 | 33 | Пружина | 1 |
| 14 | Обойма | 1 | 34 | Штуцер | 1 |
| 15 | Винт ведомый верхний | 2 | 35 | Шарик Б10-200 | 1 |
| 16 | Винт ведущий | 1 | 36 | Пробка | 1 |
| 17 | Винт ведомый нижний | 2 | 37 | Штифт 5х30 | 1 |
| 18 | Втулка ведомого винта | 2 | 38 | Штуцер 8-6ст | 2 |
| 19 | Пята ведомого винта | 2 | 39 | Шайба 30.01 | 1 |
| 20 | Втулка ведущего винта | 1 | 40 |
Характеристика насоса А1 3В 4/160
Жидкость – масло
Вязкость – 0,76×10-4 м 2 /с (10°ВУ)
Частота вращения – 48 с-1 (2900 об/мин)
Вакуумметрическая высота всасывания – 6 м

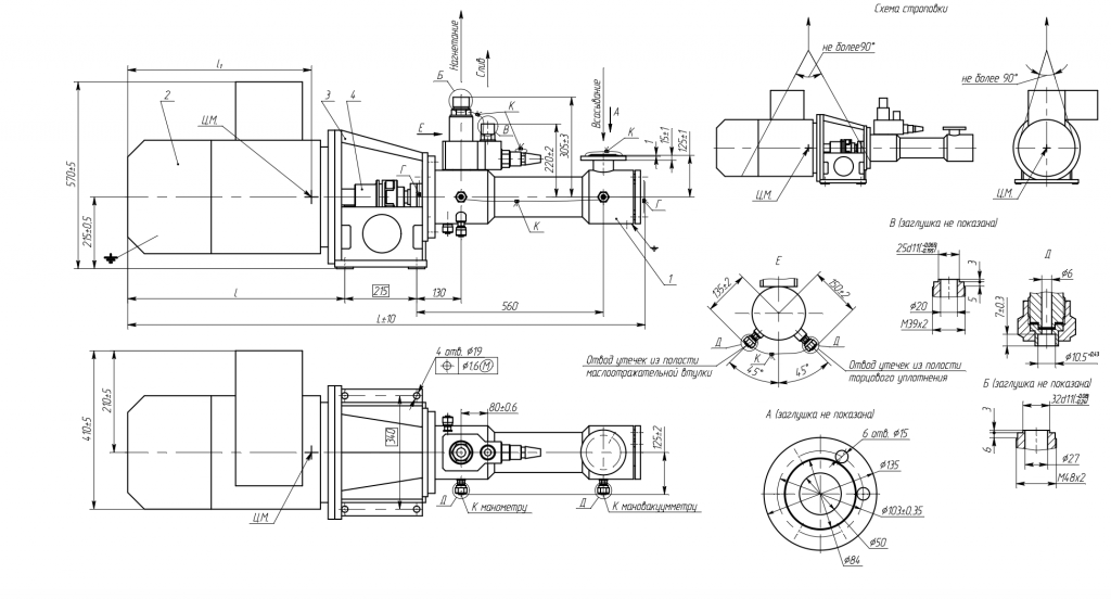
Габаритный чертеж электронасосных агрегатов

| Типоразмер агрегата | Марка двигателя | L, мм | l, мм | l1, мм | Масса, кг |
| А1 3В 4/160-4/63Б | АИМ180S2 Р | 1515 | 620 | 550 | 360 |
| А1 3В 4/160-4/100Б | АИМ180M2Р | 1565 | 670 | 570 | 390 |
