Характеристики
Подача, м3/ч
—
1
Давление на выходе из насоса, МПа, не более
—
1.6
По запросу
Нашли дешевле?
Выберите нужный вариант товара
Агрегат электронасосный АН 1/16
Описание
Технические характеристики
| Типоразмер агрегата | АН 1/16 |
| Подача, м3/ч | 1±10% |
| Давление на выходе из насоса, МПа (кгс/см2) | 1,6 (16) |
| Число двойных ходов поршня в минуту | 110 |
| Допустимая вакууметрическая высота всасывания, м, не менее | 6 |
| Мощность двигателя, кВт | 1,1 |
| Обороты двигателя, об/мин | 1000 |
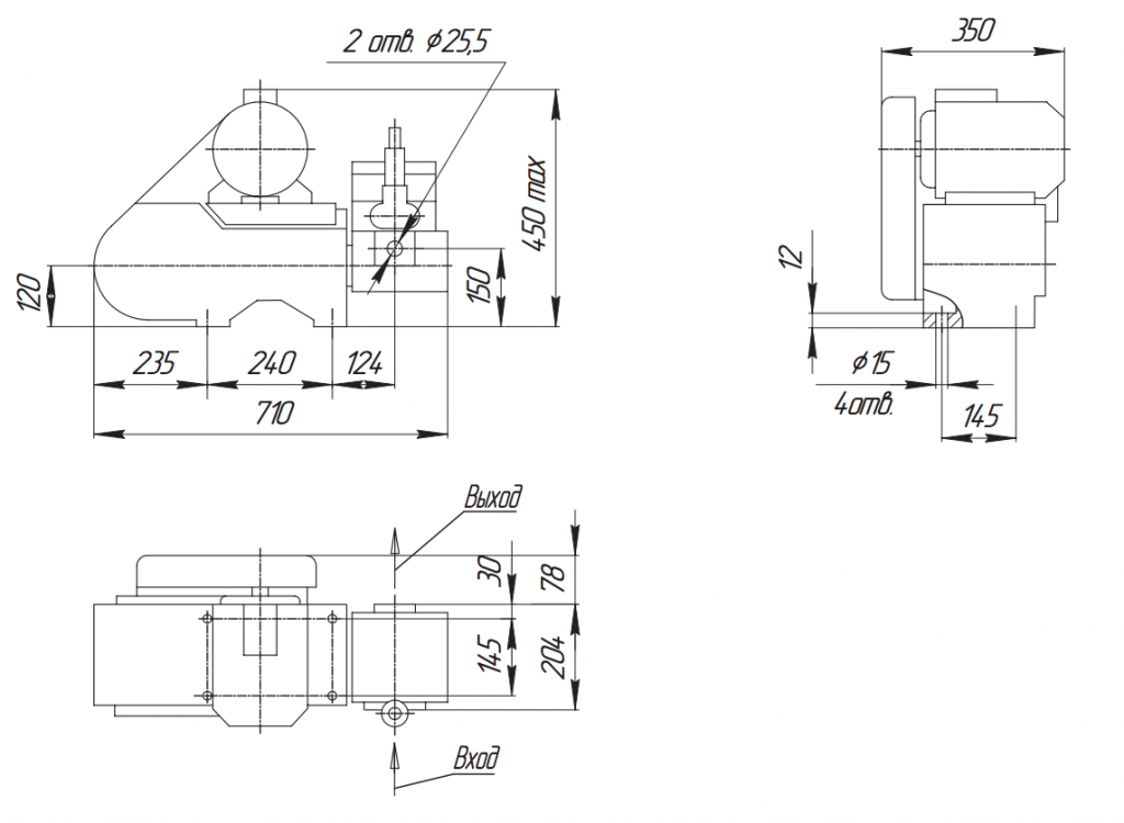
| Габаритные размеры (L*B*H), мм | 710*350*450 |
| Масса, кг | 110 |
Характеристика насоса
Частота вращения ведомого вала - 110 об/мин
Жидкость - вода
Температура - до 30°С
Вакууметрическая высота всасывания - 6м
Габаритные размеры

