Характеристики
Подача, м3/ч
—
54
Напор, м
—
10
По запросу
Нашли дешевле?
Под заказ
Наши менеджеры обязательно свяжутся с вами и уточнят условия заказа
Описание
Циркуляционный насос с электронным регулированием для систем отопления и кондиционирования воздуха, одиночный фланцевый
* Обязательным параметром циркуляционных насосов высокой энергоэффективности является коэффициент EEI ≤ 0,20
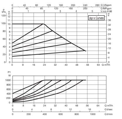
Справа от картинки даны крайние точки (подача при нулевом напоре, напор при нулевой подаче).
Подробные характеристики приведены в таблице:


Технические характеристики
| Модель |
Межосевое расстояние, мм |
Фланцы | Питание, В | P1 макс., Вт | In, А | ЕЕI* | Мин. давление на всасе | ||
| t° | 90° | 100° | |||||||
| EVOPLUS B 100/360.80 M | 360 | DN 80 PN 16 | 220/240 | 1005 | 4,5 | EEI ≤ 0,19 | м.вод.ст | 20 | 25 |
* Обязательным параметром циркуляционных насосов высокой энергоэффективности является коэффициент EEI ≤ 0,20
Справа от картинки даны крайние точки (подача при нулевом напоре, напор при нулевой подаче).
Подробные характеристики приведены в таблице:
| Подача, м3/ч | 0,0 | 4,2 | 5,4 | 7,2 | 9,6 | 12 | 14,4 | 18 | 24 | 30 | 36 | 42 | 54 | 72 |
| Напор, м | 10 |
|
|
9,7 | 8,3 | 6,7 | 5,4 | 3 |

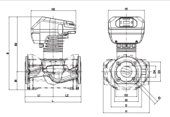
Габаритные размеры

| Модель | L | L1 | L2 | A1 | B | B1 | B2 | D | D1 | D3 | D4 | H | H1 | H2 | Вес, кг |
|
EVOPLUS B 100/360.80 M |
360 | 180 | 180 | 19 | 446 | 106 | 340 | 200 | 160 | 132 | 80 | 279 | 220 | 273 | 32,2 |
